解决方案

物联网

PSoC 微控制器和 LVDT 测量位置

PSoC 微控制器和 LVDT 测量位置

将LVDT(线性可变差动变压器)连接到微控制器可能具有挑战性,因为LVDT需要交流输入激励和交流输出测量来确定其可移动磁芯的位置(参考文献 1 ).大多数微控制器缺乏专用的交流信号生成和处理能力,因此需要外部电路来生成无谐波、幅度和频率稳定的正弦波信号。将LVDT的输…

更多

通过无线网络传输视频

通过无线网络传输视频

在过去的五年中,无线数据网络和访问它们的应用程序使我们的生活更加方便,并为我们提供了宝贵的灵活性。无线技术在我们的日常生活中已经变得如此根深蒂固,以至于它们现在已经渗透到家庭娱乐市场。无线家庭网络为设备提供商提供了很多希望,但他们必须能够保证 QoS。在过…

更多

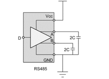
如何计算高速RS-485收发器的功率损耗

如何计算高速RS-485收发器的功率损耗

RS-485 接口因其稳健性和长距离通信能力而广泛用于工业应用。自 RS-485 标准于 1998 年推向市场以来,电子系统的尺寸和复杂性不断增加。许多终端设备(例如电机驱动器、PLC 和工业 PC)现在都需要高速 (>10Mbps) 通信。TI 的 THVD1550 是新款 TI RS-485 收发器,可支持…

更多

技术支持:万广互联 深圳市腾光达电子有限公司 版权所有 2021 粤ICP备18056019号